Résumé: Pou asire presizyon vòltaj faz pwodiksyon bò AC filtè pouvwa aktif la, pou efektivman pote konpansasyon pou swiv Harmony ak amelyore kalite pouvwa a, vòltaj bis la sou bò DC dwe kenbe ase ki estab epi rezon ki fè valè kapasite kapasite sou bò DC a enpòtan anpil. sipòca- kapasite pacitor derive ki baze sou balanse pouvwa enstantane, pran an kont kontrent yo nan vòltaj otobis la, kondansateur rid aktyèl ak pèt kapasite, efektivman sipòte- peze vòltaj fluctuationson bò DC epi kenbe pèfòmans konpansasyon, pandan y ap evite - ding kondansateur otobis la, ak diminye depans pyès ki nan konpitè. efikasite nan metòd konsepsyon pwo- yo verifye pa simulation ak eksperyans.
Mo kle:filtre pouvwa aktif; vòltaj otobis; pèt kapasite; pouvwa enstantane; kapasite kondansateur
Kontni:
2. Estrikti sikwi prensipal ak prensip konpansasyon
3. Otobis kondansateur konsepsyon
3.1 Analiz valè vòltaj kondansateur otobis la
3.2 Analiz de kondansateur rid aktyèl ak pèt kondansateur
4. Rezilta eksperimantal ak analiz
1. Objektif atik
Avèk aplikasyon an toupatou nan aparèy elektwonik pouvwa tankou chanje ekipman pou pouvwa nan jaden yo nan kominikasyon, kay ak endistri, chay la nonlinear nan kadriyaj pouvwa a te ogmante anpil. Pandan operasyon an nan aparèy elektwonik pouvwa, yon gwo kantite Harmony yo sou fòm piki nan kadriyaj pouvwa a, sa ki lakòz pwoblèm tankou surchof ak izolasyon aje nan ekipman elektrik, ak fasil sa ki lakòz malfonksyònman pwoteksyon relè ki mete an danje sekirite nan operasyon griy pouvwa. Nan sans de pwoblèm ki anwo yo, papye sa a konbine enfliyans nan vòltaj otobis sou repwesyon Harmony, derive relasyon an quantitative ant aktyèl otobis, kapasite paralèl ak pèt kondansateur, ak konstwi relasyon ki genyen kontrent ant vòltaj enstantane, rid ak pouvwa sistèm sou valè a kondansateur bò DC sou baz balans pouvwa a, ak Lè sa a, jwenn ranje valè kapasite. Se eksperyans yo verifye kòrèkteman metòd kalkil la.
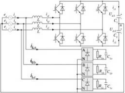
2. Estrikti sikwi prensipal ak prensip konpansasyon
Sistèm nan adopte yon estrikti topoloji twa-faz kat-. Pwen mitan bò DC a pa konekte ak yon induktè. Bò AC la konekte ak ekipman pou pouvwa twa faz la atravè yon induktè koòdone. Bò DC a konekte ak yon kondansateur sipò pou tanpon enèji Harmony ak estabilize vòltaj sipò otobis la.

3. Otobis kondansateur konsepsyon
3.1 Analiz valè vòltaj kondansateur otobis la
Pou reyalize envèrsyon konplè, filtè pouvwa aktif la ta dwe fè vòltaj pwodiksyon an sou bò varyateur la pi gran pase valè pik vòltaj faz la sou bò kadriyaj la. Lè pwen mitan kondansateur a kout -sirkuite sou bò kadriyaj la, relasyon ki genyen ant vòltaj pwodiksyon sou bò varyateur la ak vòltaj kondansateur sou bò DC ka jwenn lè w itilize lwa KVL nan bouk la:

Vòltaj la faz nan rezo distribisyon piblik la se 220 V. Lè ou konsidere ke vòltaj pwodiksyon transfòmatè a se 10% pi wo pase valè nominal la ak inyore enfliyans nan Harmony, valè pik vòltaj faz la se:
Ansyen=110% ∗ 220 ∗ 2=342.
3.2 Analiz de kondansateur rid aktyèl ak pèt kondansateur
Echanj enèji ant bò kadriyaj la ak chaj la se sitou reyalize atravè kapasite busbar. Si valè kapasite a twò piti, efè a estabilizasyon vòltaj pa ka reyalize, ak pulsasyon vòltaj la sou bò DC se gwo; si valè kapasite a twò gwo, byenke li se benefisye diminye pulsasyon vòltaj la, li se akonpaye pa yon diminisyon nan rezistans nan seri ekivalan, sa ki pèmèt aktyèl la rid ogmante, ki ogmante pèt la pouvwa sistèm ak chofaj la kondansateur, ki afekte lavi sa a ki ap travay nan kondansateur la.

4. Rezilta eksperimantal ak analiz
Modèl la te etabli nan lojisyèl simulation Matlab/Simulink, ak paramèt simulation yo te fikse jan sa a: twa -faz kadriyaj vòltaj 220 V/50 Hz; twa-chaj faz te redresman san kontwòl ak chaj RLC, R=25 Ω, L=1 mH, C=2 mF; enduktans filtre Lf=2.5 mH ant APF ak griy la, vòltaj bò DC U dc=730 V, ak kapasite bò DC 2 mF .
5.Konklizyon
Papye sa a dekri pwosesis konsepsyon valè DC kondansateur bò kote filtè aktif -pouvwa aktif paralèl la, epi li pwopoze yon metòd pou jwenn valè kondansateur bò DC anba kontrent vòltaj bò DC, kouran rid ak pouvwa pwodiksyon ki baze sou balans pouvwa enstantane, se konsa ke konsepsyon kondansateur bò DC a pi egzak ak valè a pi rezonab. Li kapab tou konsepsyon kondansateur bò DC a anba pouvwa konpansasyon diferan, rid akseptab oswa valè anviwònman DC bò. Eksperyans lan verifye kòrèkteman ak efikasite nan konsepsyon an. Metòd konsepsyon yo pwopoze a ak eksperyans jeni gen sèten siyifikasyon referans pou rechèch ak aplikasyon konsepsyon kondansateur otobis nan lòt sistèm filtre aktif.





